

全国免费客服电话 021-33656988
����� �������Ƴ������������ �������Ƴ������������ �������Ƴ������������ �������Ƴ������13918861646 邮箱:dungongvalve@1����� �������Ƴ������������ �������Ƴ������������ �������Ƴ����������� �������Ƴ�������63.com
手机:13918861646
电话:021-33656988����� �������Ƴ������������ �������Ƴ������������ �������Ƴ������������ �������Ƴ������� 13918861646
地址:上海市奉贤区南奉公路5118号����� �������Ƴ������������ �������Ƴ������������ �������Ƴ������������ �������Ƴ�������
Z45X,RVHX软密封暗杆弹����� �������Ƴ����������� �������Ƴ������������ �������Ƴ������������ �������Ƴ�������性座封闸阀原理作用: ����� �������Ƴ������������ �������Ƴ������������ �������Ƴ������������ �������Ƴ������� 闸阀是管路系统中通过手轮转驱闸板沿通道轴����� �������Ƴ������������ �������Ƴ����������� �������Ƴ������������ �������Ƴ�������线垂直方向移动切断接通介质流的����� �������Ƴ����������� �������Ƴ������������ �������Ƴ������������ �������Ƴ������控制部件,在使用过程中,阀门必须是全开或全����� �������Ƴ������������ �������Ƴ������������ �������Ƴ����������� �������Ƴ�������关,不能用作调节流量。 闸阀关闭时����� �������Ƴ������������ �������Ƴ����������� �������Ƴ������������ �������Ƴ�������,密封面可以只依靠介质压力来密封,即只依
产品详情
Z45X,RVHX软密封暗杆����� �������Ƴ������������ �������Ƴ������������ �������Ƴ������������ �������Ƴ�������弹性座封闸阀原理作用:
闸阀是管路系统中通过����� �������Ƴ������������ �������Ƴ������������ �������Ƴ������������ �������Ƴ�������手轮转驱闸板沿通道轴线垂直方向移动切断接通介����� �������Ƴ������������ �������Ƴ������������ �������Ƴ������������ �������Ƴ�������质流的控制部件,在使用过����� �������Ƴ������������ �������Ƴ������������ �������Ƴ����������� �������Ƴ�������程中,阀门必须是全开或全关,不能用作调节流量����� �������Ƴ������������ �������Ƴ����������� �������Ƴ������������ �������Ƴ�������。
闸阀关闭时,����� �������Ƴ����������� �������Ƴ������������ �������Ƴ����������� �������Ƴ�������密封面可以只依靠介质压力来密封����� �������Ƴ������������ �������Ƴ������������ �������Ƴ������������ �������Ƴ�������,即只依靠介质压力将闸板的密封面压向另一侧的阀����� �������Ƴ����������� �������Ƴ������������ �������Ƴ������������ �������Ƴ�������座来保证密封面的密封,这就是自密封。大����� �������Ƴ����������� �������Ƴ������������ �������Ƴ������������ �������Ƴ�������部分闸阀是采用强制密封的,即阀门����� �������Ƴ������������ �������Ƴ������������ �������Ƴ������������ �������Ƴ�������关闭时,要依靠外力强行将闸板压向阀座,以保证����� �������Ƴ������������ �������Ƴ������������ �������Ƴ������������ �������Ƴ�������密封面的密封性。
&nb����� �������Ƴ������������ �������Ƴ������������ �������Ƴ������������ �������Ƴ�������sp;弹性座封闸阀,采用新颖的结构设计、严����� �������Ƴ������������ �������Ƴ������������ �������Ƴ������������ �������Ƴ�������格的制造技术和高性能的新型材料,克服了传统闸阀����� �������Ƴ����������� �������Ƴ������������ �������Ƴ������������ �������Ƴ�������密封不良、内件特别是闸板易����� �������Ƴ������������ �������Ƴ������������ �������Ƴ������������ �������Ƴ�������锈蚀、橡胶弹性疲乏易老化等缺陷,密封性能可靠,����� �������Ƴ������������ �������Ƴ����������� �������Ƴ������������ �������Ƴ�������操作轻快,维护简单便利,使用寿命长����� �������Ƴ������������ �������Ƴ������������ �������Ƴ������������ �������Ƴ�������。适用于生活用水系统、给排水系统、污����� �������Ƴ����������� �������Ƴ����������� �������Ƴ������������ �������Ƴ�������水处理系统、化����� ������ �������Ƴ������������ �������Ƴ������������ �������Ƴ������������ �������Ƴ�������������Ƴ�������工流体����� �������Ƴ������������ �������Ƴ������������ �������Ƴ����������� �������Ƴ�������输送系统等,在建筑、城市环保、石化、医����� �������Ƴ������������ �������Ƴ����������� �������Ƴ����������� �������Ƴ�������药、食品、冶金、纺织、电力等行业����� �������Ƴ������������ �������Ƴ������������ �������Ƴ������������ �������Ƴ������的流体管线上作为截断装置使用。����� �������Ƴ������������ �������Ƴ����������� �������Ƴ������������ �������Ƴ�������
Z45X,RVHX软密封����� �������Ƴ������������ �������Ƴ������������ �������Ƴ������������ �������Ƴ�������暗杆弹性座封闸阀性能特点����� �������Ƴ������������ �������Ƴ������������ �������Ƴ������������ �������Ƴ�������:
①球铁精铸壳体����� �������Ƴ������������ �������Ƴ������������ �������Ƴ������������ �������Ƴ�������:阀体和阀盖材质为球墨铸铁,强度高����� �������Ƴ����������� �������Ƴ������������ �������Ƴ������������ �������Ƴ�������耐腐蚀,阀座与阀体整体精密铸造成形;
②全径平����� �������Ƴ������������ �������Ƴ������������ �������Ƴ����������� �������Ƴ�������底流道:阀门全开时闸板完全升离流道,阀座底部无����� �������Ƴ������������ �������Ƴ������������ �������Ƴ������������ �������Ƴ�������凹槽,不易堆积杂物,与直管道����� �������Ƴ����������� �������Ƴ������������ �������Ƴ������������ �������Ƴ�������等同,流阻最低;
③����� �������Ƴ������������ �������Ƴ������������ �������Ƴ������������ �������Ƴ�������全部包胶闸板:高性能橡胶将骨架全部����� �������Ƴ������������ �������Ƴ������������ �������Ƴ����������� �������Ƴ�������包裹,铸铁彻底与介质隔离,无腐蚀,橡胶软密封,����� �������Ƴ����������� �������Ƴ������������ �������Ƴ������������ �������Ƴ�������与骨架牢固粘结,整体热硫化成形;
④整体式铜����� �������Ƴ������������ �������Ƴ������������ �������Ƴ����������� �������Ƴ�������螺母:闸板螺母与骨架整体连接,无运动空行程及����� �������Ƴ������������ �������Ƴ������������ �������Ƴ������������ �������Ƴ�������送脱现象;
⑤����� �������Ƴ������������ �������Ƴ������������ �������Ƴ������������ �������Ƴ������闸板导轨系统:阀体与闸板间带导轨系统。闸板密封时����� �������Ƴ������������ �������Ƴ������������ �������Ƴ������������ �������Ƴ������承载水压布偏移,升降时橡胶无����� �������Ƴ������������ �������Ƴ������������ �������Ƴ������������ �������Ƴ������接触磨损,防止阀杆弯曲;����� �������Ƴ������������ �������Ƴ������������ �������Ƴ������������ �������Ƴ�������
⑥不锈钢阀杆����� �������Ƴ������������ �������Ƴ������������ �������Ƴ����������� �������Ƴ�������:不锈钢耐腐阀杆,梯形螺纹滚压加工,螺����� �������Ƴ������������ �������Ƴ������������ �������Ƴ������������ �������Ƴ�������牙光滑耐磨,有效降低操作扭矩,提����� �������Ƴ������������ �������Ƴ����������� �������Ƴ������������ �������Ƴ�������高使用寿命;
����� �������Ƴ����������� �������Ƴ����������� �������Ƴ����������� �������Ƴ������� ⑦双之推轴承(����� �������Ƴ������������ �������Ƴ������������ �������Ƴ������������ �������Ƴ������暗杆型DN≤300):阀杆颈部带双之推轴����� �������Ƴ������������ �������Ƴ������������ �������Ƴ������������ �������Ƴ�������承,倒装式阀杆避免被水压冲出����� �������Ƴ������������ �������Ƴ����������� �������Ƴ������������ �������Ƴ�������;
⑧阀杆轴向密封(����� �������Ƴ������������ �������Ƴ������������ �������Ƴ������������ �������Ƴ�������暗杆型):三道O形密封圈,水����� �������Ƴ������������ �������Ƴ������������ �������Ƴ����������� �������Ƴ�������压作用下轴向自密封,无填料密封调节������� �������Ƴ����������� �������Ƴ������������ �������Ƴ����������� �������Ƴ���������� �������Ƴ����� �������Ƴ������������ �������Ƴ������������ �������Ƴ������������ �������Ƴ��������������之烦恼,顶部档压圈,阻止外����� �������Ƴ������������ �������Ƴ������������ �������Ƴ����������� �������Ƴ������部杂质进入轴封内部。
弹性座封闸阀����� �������Ƴ������������ �������Ƴ������������ �������Ƴ������������ �������Ƴ�������备注:
����� �������Ƴ����������� �������Ƴ������������ �������Ƴ������������ �������Ƴ�������RVXX表示明杆式闸阀,RV����� �������Ƴ������������ �������Ƴ����������� �������Ƴ������������ �������Ƴ�������XP表示附省力装置;
RR����� �������Ƴ������������ �������Ƴ������������ �������Ƴ������������ �������Ƴ������XX表示明杆式闸阀;
����� �������Ƴ������������ �������Ƴ������������ �������Ƴ������������ �������Ƴ������ RRHX表示明杆式附手轮����� �������Ƴ������������ �������Ƴ������������ �������Ƴ������������ �������Ƴ������;
RREX����� �������Ƴ������������ �������Ƴ������������ �������Ƴ����������� �������Ƴ�������表示明杆式附电动操作装置;
RVCX表示非����� �������Ƴ����������� �������Ƴ������������ �������Ƴ������������ �������Ƴ�������明杆式附传动帽;
RVHX表示非明杆式����� �������Ƴ������������ �������Ƴ������������ �������Ƴ������������ �������Ƴ�������附手轮;
RVHS表����� �������Ƴ������������ �������Ƴ������������ �������Ƴ������������ �������Ƴ�������示非明杆式信号显示器;
RVEX表示����� �������Ƴ������������ �������Ƴ������������ �������Ƴ������������ �������Ƴ�������非明杆式附电动操作装置;
RVCH表示非明杆����� �������Ƴ������������ �������Ƴ������������ �������Ƴ������������ �������Ƴ�������式附传动帽卧式操作装置;
RVH����� �������Ƴ����������� �������Ƴ������������ �������Ƴ������������ �������Ƴ�������H表示非明杆式附手轮卧式操作装置。&nb����� �������Ƴ������������ �������Ƴ������������ �������Ƴ������������ �������Ƴ�������sp;
Z45X,RVHX软密封暗杆弹����� �������Ƴ����������� �������Ƴ������������ �������Ƴ������������ �������Ƴ�������性座封闸阀技术参数:
公称压力 | 试验压力﹝MPa﹞ | 适用温度 | 适用介质 | |
壳体 | 密封 | |||
1.0 | 1.5 | 1.1 | ≤80℃ | 水、油品、 |
1.6 | 2.4 | 1.76 | ||
Z45X,RVHX软密封暗杆弹性座封闸阀����� �������Ƴ������������ �������Ƴ������������ �������Ƴ������������ �������Ƴ�������部件材质:
零件名称 | 材质 |
阀体 | 球墨铸铁 |
闸板 | 球墨铸铁+三元乙丙/丁晴橡����� �������Ƴ������������ �������Ƴ������������ �������Ƴ������������ �������Ƴ�������胶 |
阀杆 | 不锈钢 |
O型密封圈 | 丁晴橡胶 |
阀杆螺母 | 锡青钢 |
手轮 | ����� �������Ƴ�������� �������Ƴ������������ �������Ƴ����������� �������Ƴ������������ �������Ƴ�����������铸铁 |
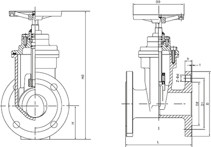
Z45X,RVHX软密封����� �������Ƴ������������ �������Ƴ������������ �������Ƴ������������ �������Ƴ�������暗杆弹性座封闸阀外形尺寸:

通径DN | 外形尺寸(mm) | 连接尺寸(mm) | |||||||||
mm | inch | L | H | Ho | Do | D | D1 | D2 | b | t | Z-Φd |
40 | 1-1/2" | 165 | 75 | 310 | 160 | 150 | 110 | 84 | 19 | 3 | 4-19 |
50 | 2" | 178 | 83 | 320 | 160 | 165 | 125 | 99 | 19 | 3 | 4-19 |
65 | 2-1/2" | 190 | 93 | 370 | 180 | 185 | 145 | 118 | 19 | 3 | 4-19 |
80 | 3" | 203 | 100 | 410 | 180 | 200 | 160 | 132 | 19 | 3 | 8-19 |
100 | 4" | 229 | 110 | 450 | 250 | 220 | 180 | 156 | 19 | 3 | 8-19 |
125 | 5" | 254 | 125 | 530 | 280 | 250 | 210 | 184 | 19 | 3 | 8-19 |
150 | 6" | 267 | 143 | 600 | 320 | 285 | 240 | 211 | 19 | 3 | 8-23 |
200 | 8" | 292 | 170 | 730 | 380 | 340 | 295 | 266 | 20 | 3 | 8-23 |
250 | 10" | 330 | 198 | 850 | 400 | 395 | 350 | 319 | 22 | 3 | 12-23 |
300 | 12" | 356 | 223 | 960 | 450 | 445 | 400 | 370 | 25 | 4 | 12-23 |
350 | 14" | 381 | 253 | 1070 | 450 | 505 | 460 | 429 | 25 | 4 | 16-23 |
400 | 16" | 406 | 283 | 1180 | 500 | 565 | 515 | 480 | 25 | 4 | 16-28 |
450 | 18" | 432 | 308 | 1����� �������Ƴ����������� �������Ƴ����������� �������Ƴ����������� �������Ƴ������������ �������Ƴ��������300 | 500 | 615 | 565 | 530 | 26 | 4 | 20-28 |
500 | 20" | 457 | 335 | 1415 | 600 | 670 | 620 | 582 | 27 | 4 | 20-28 |
600 | 24" | 508 | 390 | 1630 | 600 | 780 | 725 | 682 | 30 | 5 | 20-31 |
700 | 28" | 610 | 448 | 1810 | 600 | 895 | 840 | 794 | 33 | 5 | 24-31 |
800 | 31-1/2" | 660 | 508 | 2040 | 600 | 1015 | 950 | 901 | 35 | 5 | 24-34 |
900 | 35-1/2" | 711 | 558 | 2240 | 600 | 1115 | 1050 | 1001 | 38 | 5 | 28-34 |
1000 | 39-1/2" | 811 | 615 | 2450 | 600 | 1230 | 1160 | 1112 | 40 | 5 | 28-37 |
Z45X,RVHX软密封暗杆弹性座封闸阀产品实����� �������Ƴ������������ �������Ƴ������������ �������Ƴ������������ �������Ƴ�������拍:

相关推荐
截屏,微信识别二维码
微信号:dungongvalve
(点击微信号复制,添加好友)����� �������Ƴ������������ �������Ƴ������������ �������Ƴ������������ �������Ƴ�������
打开微信����� �������Ƴ������������ �������Ƴ������������ �������Ƴ������������ �������Ƴ�������